Radiotechnika 1 pytań

detektor diodowy

Na podstawie wyjaśnień do pytań egzaminacyjnych UKE

Detektor diodowy (obwiedniowy) składa się z diody i układu RC. Dioda prostuje sygnał AM, a kondensator filtruje resztki nośnej w.cz. Stała czasowa RC musi być dobrana tak, aby filtrować w.cz., ale nie tłumić najwyższych składowych audio. Detektor obwiedniowy działa poprawnie tylko dla AM, nie dla SSB/CW.

detektor diodowykondensator filtrującydetekcja AMfiltracja w.cz.

Pytania egzaminacyjne (1)

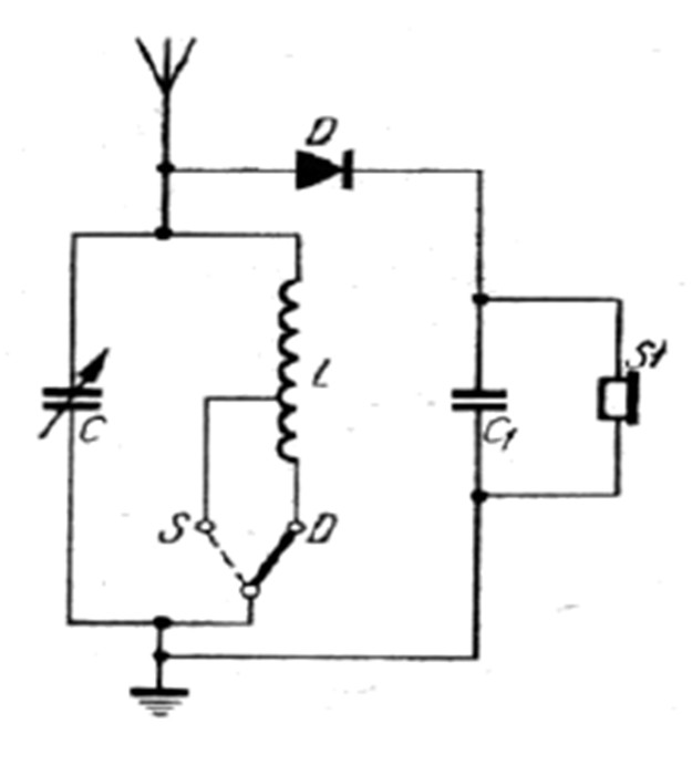
d1-165 Na rysunku przedstawiono schemat detektora diodowego. Jaką rolę spełnia w nim kondensator C1?

Na rysunku przedstawiono schemat detektora diodowego. Jaką rolę spełnia w nim kondensator C1?

Diagram do pytania d1-165
A jest kondensatorem filtrującym prądy w.cz.
B poprawia odtwarzanie wysokich tonów
C chroni słuchawki przed uszkodzeniem

Kondensator w detektorze diodowym pełni rolę filtra — przepuszcza do masy składowe w.cz. (częstotliwość nośna i jej resztki po detekcji), zachowując na wyjściu tylko sygnał n.cz. (audio). Bez tego kondensatora na wyjściu byłaby mieszanina audio i w.cz., nieprzydatna do dalszego przetwarzania.

Tip: Kondensator w detektorze = filtr w.cz. do masy. Przepuszcza RF, zatrzymuje audio.

Powiązane tematy